українська русский Javascript DHTML Drop Down Menu Powered by dhtml-menu-builder.com

Javascript DHTML Tree Menu Powered by dhtml-menu-builder.com

YouTube facebook

 

Буферна ємність HARGASSNER SP

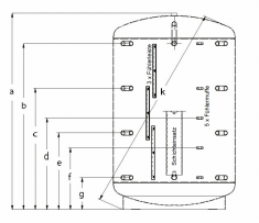
Розріз баку накопичувача HARGASSNER SP
       
Рециркуляційний лист для оптимального використання буфера Зажимні пластини для датчиків
для зручного та гнучкого кріплення.

Даний буфер, завдяки своєму технічному виконанню оптимально відповідає гідравлічним схемам Харгаснер та схемам регулювання. Особливою перевагою є вбудований зворотній, шаровий лист, який гарантує точну температуру шару при завантаженні чи розвантаженні. Інтегровані гільзи під датчики дають можливість точного позиціювання датчиків та оптимізувати процес регулювання.

Буферні ємності Харгаснер мають 2 x 90° лінії підключення і кожна з 4 муфтами підключення, а також є можливість паралельного підключення. Ще одна перевага, що є можливість монтажу 45° для економії площі, де буфер може встановлюватись один на одний. Підключення забезпечує ефективну ізоляцію без фтор-хлор-вуглеводню з 100 мм утеплювачем.

Тип  
Од. вим. SP 825 SP 1000 SP 1500 SP 2000
Об'єм буфера л 825 1000 1500 2000
Диаметр без ізоляції мм 750 790 1000 1100
Диаметр з ізоляцією мм 950 990 1200 1300
Висота без ізоляції мм 1910 2010 2110 2240
Висота з ізоляцією мм 1980 2080 2180 2310
Підключення 8 шт. вн.м. дюйм 5/4" 5/4" 5/4" 6/4"
Вага кг 131 138 188 266
Другі дані по запиту Макс. робочий тиск 3 бар, макс. робоча температура 95°
Підключення  
Од.
вим.
SP 825 SP 1000 SP 1500 SP 2000
Розмір
при нахилі без ізоляції
k мм 1946 2053 2170 2313
Підключення /
видалення повітря
a мм 1904 2008 2105 2238
Підключення b мм 1665 1765 1806 1932
Підключення c мм 1310 1385 1426 1527
Підключення d мм 955 1005 1046 1122
Підключення e мм 245 245 286 312
Підключення буфера

НОВИНКА ! БАК НАКОПИЧУВАЧ HARGASSNER SP 2600

Тип
Од. вим. SP 2600
Об'єм буфера л 2600
Диаметр без ізоляції мм 1250
Диаметр з ізоляцією мм 1490
Висота без ізоляції мм 2315
Висота з ізоляцією мм 2440
Підключення 10 шт. вн.м. дюйм 2"
Вага кг 288
Другі дані по запиту Макс. робочий тиск 3 бар, макс. робоча температура 95°
 
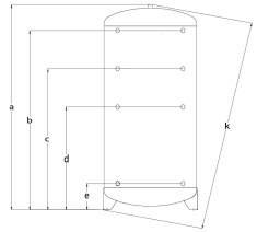
Підключення
Од. вим. SP 2600
Розмір при нахилі k мм 2411
Підключення /
видалення повітря 6/4"
a мм 2315
Підключення 2" вн.м. b мм 1956
Підключення 2" вн.м. c мм 1429
Підключення 1/2" вн.м. d мм 1078
Підключення 2" вн.м. e мм 903
Підключення 1/2" вн.м. f мм 727
Підключення /
RL-Schichteinsatz 2" вн.м.
g мм 225
Hargassner SP 2600
 
 
  Представництво Харгаснер в Україні ТОВ "ІНМАТЕХ",
03179 Київ, вул. Прилужна 4/15 оф. 507,
тел./факс: +38 044 451 87 52, info@hargassner.com.ua
МЕТА - Украина. Рейтинг сайтов Rambler's Top100